Обозначение ЗКДго-0,5/50-140 Г/п 0,5 тн A 50-140 мм B 160 мм D 90 мм K 150 мм L 280 мм M 116 мм P 680 мм
Захват предназначен для подъема и перемещения труб и аналогичных грузов цилиндрической формы в горизонтальном положении.
Конструкция Захват представляет собой облегченную версию захвата ЗКДг. Металлические тяги заменены цепными, что снижает металлоемкость конструкции. При работе с несколькими захватами рекомендуется использовать траверсу. Захват рекомендуется к использованию в случаях наличия ограничения к весу съемного грузозахватного приспособления. За счет наличия цепных строп захват становится более компактным, что удобно при транспортировке и хранении.
Захват типа ЗКДго компактен и удобен в работе, имеет малый собственный вес, простая и надежная конструкция гарантирует надежное крепление груза.
Обозначение ЗКДго-0,5/60-320 Г/п 0,5 тн A 60-320 мм B 340 мм D 70 мм K 120 мм L 740 мм M 48 мм P 860 мм
Захват предназначен для подъема и перемещения труб и аналогичных грузов цилиндрической формы в горизонтальном положении.
Конструкция Захват представляет собой облегченную версию захвата ЗКДг. Металлические тяги заменены цепными, что снижает металлоемкость конструкции. При работе с несколькими захватами рекомендуется использовать траверсу. Захват рекомендуется к использованию в случаях наличия ограничения к весу съемного грузозахватного приспособления. За счет наличия цепных строп захват становится более компактным, что удобно при транспортировке и хранении.
Захват типа ЗКДго компактен и удобен в работе, имеет малый собственный вес, простая и надежная конструкция гарантирует надежное крепление груза.
Обозначение ЗКДг-0,5/60-320 Г/п 0,5 тн A 60-320 мм B 340 мм D 70 мм K 120 мм L 740 мм M 48 мм P 885 мм
Захват ЗКДг предназначен для подъема и перемещения труб и круглых деталей в горизонтальном положении.
Конструкция Захват представляет собой конструкцию клещевого типа, предусматривает наличие замка, фиксирующего захват в открытом положении(замок устанавливается на захваты грузоподъемностью свыше 1т и диаметром поднимаемого изделия более 300мм).
Для подъема груза весом свыше 300кг и имеющих длину более 2м рекомендуется использовать несколько захватов на траверсной подвеске. Использование строп типа 2СК не рекомендуется, ввиду возможности перекоса захвата и повреждения груза и рычажной системы.
Обозначение ЗКДго-1,0/150-250 Г/п 1,0 тн A 150-250 мм B 270 мм D 90 мм K 150 мм L 540 мм M 62 мм P 690 мм
Захват предназначен для подъема и перемещения труб и аналогичных грузов цилиндрической формы в горизонтальном положении.
Конструкция Захват представляет собой облегченную версию захвата ЗКДг. Металлические тяги заменены цепными, что снижает металлоемкость конструкции. При работе с несколькими захватами рекомендуется использовать траверсу. Захват рекомендуется к использованию в случаях наличия ограничения к весу съемного грузозахватного приспособления. За счет наличия цепных строп захват становится более компактным, что удобно при транспортировке и хранении.
Захват типа ЗКДго компактен и удобен в работе, имеет малый собственный вес, простая и надежная конструкция гарантирует надежное крепление груза.
Применяется для поднятия и перемещения труб, бревен, круглых балок в горизонтальном положении. Работает в паре с использованием траверсы. Захват обеспечивает надёжное удержание груза. Грузоподъемность - 1 тн Интервал захвата - 100-300 мм
Обозначение ЗКДг-1,0/50-150 Г/п 1,0 тн A 50-150 мм B 170 мм D 90 мм K 150 мм L 400 мм M 62 мм P 540 мм
Захват ЗКДг предназначен для подъема и перемещения труб и круглых деталей в горизонтальном положении.
Конструкция Захват представляет собой конструкцию клещевого типа, предусматривает наличие замка, фиксирующего захват в открытом положении(замок устанавливается на захваты грузоподъемностью свыше 1т и диаметром поднимаемого изделия более 300мм).
Для подъема груза весом свыше 300кг и имеющих длину более 2м рекомендуется использовать несколько захватов на траверсной подвеске. Использование строп типа 2СК не рекомендуется, ввиду возможности перекоса захвата и повреждения груза и рычажной системы.
Обозначение ЗКДг-1,0/100-200 Г/п 1,0 тн A 100-200 мм B 220 мм D 90 мм K 150 мм L 470 мм M 62 мм P 625 мм
Захват ЗКДг предназначен для подъема и перемещения труб и круглых деталей в горизонтальном положении.
Конструкция Захват представляет собой конструкцию клещевого типа, предусматривает наличие замка, фиксирующего захват в открытом положении(замок устанавливается на захваты грузоподъемностью свыше 1т и диаметром поднимаемого изделия более 300мм).
Для подъема груза весом свыше 300кг и имеющих длину более 2м рекомендуется использовать несколько захватов на траверсной подвеске. Использование строп типа 2СК не рекомендуется, ввиду возможности перекоса захвата и повреждения груза и рычажной системы.
Обозначение ЗКДг-1,0/150-250 Г/п 1,0 тн A 150-250 мм B 270 мм D 90 мм K 150 мм L 540 мм M 62 мм P 710 мм
Захват ЗКДг предназначен для подъема и перемещения труб и круглых деталей в горизонтальном положении.
Конструкция Захват представляет собой конструкцию клещевого типа, предусматривает наличие замка, фиксирующего захват в открытом положении(замок устанавливается на захваты грузоподъемностью свыше 1т и диаметром поднимаемого изделия более 300мм).
Для подъема груза весом свыше 300кг и имеющих длину более 2м рекомендуется использовать несколько захватов на траверсной подвеске. Использование строп типа 2СК не рекомендуется, ввиду возможности перекоса захвата и повреждения груза и рычажной системы.
Обозначение ЗКДг-1,0/200-300 Г/п 1,0 тн A 200-300 мм B 320 мм D 90 мм K 150 мм L 590 мм M 62 мм P 760 мм
Захват ЗКДг предназначен для подъема и перемещения труб и круглых деталей в горизонтальном положении.
Конструкция Захват представляет собой конструкцию клещевого типа, предусматривает наличие замка, фиксирующего захват в открытом положении(замок устанавливается на захваты грузоподъемностью свыше 1т и диаметром поднимаемого изделия более 300мм).
Для подъема груза весом свыше 300кг и имеющих длину более 2м рекомендуется использовать несколько захватов на траверсной подвеске. Использование строп типа 2СК не рекомендуется, ввиду возможности перекоса захвата и повреждения груза и рычажной системы.
Обозначение ЗКДго-2,0/250-350 Г/п 2,0 тн A 250-350 мм B 370 мм D 120 мм K 180 мм L 706 мм M 82 мм P 850 мм
Захват предназначен для подъема и перемещения труб и аналогичных грузов цилиндрической формы в горизонтальном положении.
Конструкция Захват представляет собой облегченную версию захвата ЗКДг. Металлические тяги заменены цепными, что снижает металлоемкость конструкции. При работе с несколькими захватами рекомендуется использовать траверсу. Захват рекомендуется к использованию в случаях наличия ограничения к весу съемного грузозахватного приспособления. За счет наличия цепных строп захват становится более компактным, что удобно при транспортировке и хранении.
Захват типа ЗКДго компактен и удобен в работе, имеет малый собственный вес, простая и надежная конструкция гарантирует надежное крепление груза.
Обозначение ЗКДг-2,0/250-350 Г/п 2,0 тн A 250-350 мм B 370 мм D 120 мм K 180 мм L 706 мм M 82 мм P 930 мм
Захват ЗКДг предназначен для подъема и перемещения труб и круглых деталей в горизонтальном положении.
Конструкция Захват представляет собой конструкцию клещевого типа, предусматривает наличие замка, фиксирующего захват в открытом положении(замок устанавливается на захваты грузоподъемностью свыше 1т и диаметром поднимаемого изделия более 300мм).
Для подъема груза весом свыше 300кг и имеющих длину более 2м рекомендуется использовать несколько захватов на траверсной подвеске. Использование строп типа 2СК не рекомендуется, ввиду возможности перекоса захвата и повреждения груза и рычажной системы.
Обозначение ЗКДго-3,2/350-450 Г/п 3,2 тн A 350-450 мм B 470 мм D 120 мм K 180 мм L 886 мм M 112 мм P 1050 мм
Захват предназначен для подъема и перемещения труб и аналогичных грузов цилиндрической формы в горизонтальном положении.
Конструкция Захват представляет собой облегченную версию захвата ЗКДг. Металлические тяги заменены цепными, что снижает металлоемкость конструкции. При работе с несколькими захватами рекомендуется использовать траверсу. Захват рекомендуется к использованию в случаях наличия ограничения к весу съемного грузозахватного приспособления. За счет наличия цепных строп захват становится более компактным, что удобно при транспортировке и хранении.
Захват типа ЗКДго компактен и удобен в работе, имеет малый собственный вес, простая и надежная конструкция гарантирует надежное крепление груза.
Обозначение ЗКДг-3,2/250-350 Г/п 3,2 тн A 250-350 мм B 370 мм D 120 мм K 180 мм L 764 мм M 112 мм P 980 мм
Захват ЗКДг предназначен для подъема и перемещения труб и круглых деталей в горизонтальном положении.
Конструкция Захват представляет собой конструкцию клещевого типа, предусматривает наличие замка, фиксирующего захват в открытом положении(замок устанавливается на захваты грузоподъемностью свыше 1т и диаметром поднимаемого изделия более 300мм).
Для подъема груза весом свыше 300кг и имеющих длину более 2м рекомендуется использовать несколько захватов на траверсной подвеске. Использование строп типа 2СК не рекомендуется, ввиду возможности перекоса захвата и повреждения груза и рычажной системы.
Обозначение ЗКДг-3,2/350-450 Г/п 3,2 тн A 350-450 мм B 470 мм D 120 мм K 180 мм L 886 мм M 112 мм P 1110 мм
Захват ЗКДг предназначен для подъема и перемещения труб и круглых деталей в горизонтальном положении.
Конструкция Захват представляет собой конструкцию клещевого типа, предусматривает наличие замка, фиксирующего захват в открытом положении(замок устанавливается на захваты грузоподъемностью свыше 1т и диаметром поднимаемого изделия более 300мм).
Для подъема груза весом свыше 300кг и имеющих длину более 2м рекомендуется использовать несколько захватов на траверсной подвеске. Использование строп типа 2СК не рекомендуется, ввиду возможности перекоса захвата и повреждения груза и рычажной системы.
Обозначение ЗКДг-3,2/350-450 Г/п 3,2 тн A 350-450 мм B 470 мм D 120 мм K 180 мм L 886 мм M 112 мм P 1110 мм
Захват ЗКДг предназначен для подъема и перемещения труб и круглых деталей в горизонтальном положении.
Конструкция Захват представляет собой конструкцию клещевого типа, предусматривает наличие замка, фиксирующего захват в открытом положении(замок устанавливается на захваты грузоподъемностью свыше 1т и диаметром поднимаемого изделия более 300мм).
Для подъема груза весом свыше 300кг и имеющих длину более 2м рекомендуется использовать несколько захватов на траверсной подвеске. Использование строп типа 2СК не рекомендуется, ввиду возможности перекоса захвата и повреждения груза и рычажной системы.
Обозначение ЗКДг-3,2/350-450 Г/п 3,2 тн A 350-450 мм B 470 мм D 120 мм K 180 мм L 886 мм M 112 мм P 1110 мм
Захват ЗКДг предназначен для подъема и перемещения труб и круглых деталей в горизонтальном положении.
Конструкция Захват представляет собой конструкцию клещевого типа, предусматривает наличие замка, фиксирующего захват в открытом положении(замок устанавливается на захваты грузоподъемностью свыше 1т и диаметром поднимаемого изделия более 300мм).
Для подъема груза весом свыше 300кг и имеющих длину более 2м рекомендуется использовать несколько захватов на траверсной подвеске. Использование строп типа 2СК не рекомендуется, ввиду возможности перекоса захвата и повреждения груза и рычажной системы.
Грузоподъемность, т 0,8 Габариты, мм 102*90*36 Ширина зева, мм 14 Тип ЗТ-3 0,8/1,6 ф трубы 0-14 Тип работы в паре Типоразмер скобы анкерной СИ-1 Грузоподъемность для пары, кг 1600 Страна производства Китай
Захваты торцевые для труб предназначены для подъема и перемещения труб. Имеют различную грузоподъёмность и работают в паре. Ширина зева выбирается в зависимости от толщины кромки трубы. В комплект входят такелажные скобы.
Грузоподъемность, т 1,0 Габариты, мм 102*90*42 Ширина зева, мм 14 Тип ЗТ-3 1,0/2,0 ф трубы 0-14 Тип работы в паре Типоразмер скобы анкерной СИ-1,5 Грузоподъемность для пары, кг 2000 Страна производства Китай
Захваты торцевые для труб предназначены для подъема и перемещения труб. Имеют различную грузоподъёмность и работают в паре. Ширина зева выбирается в зависимости от толщины кромки трубы. В комплект входят такелажные скобы.
Грузоподъемность, т 1,25 Габариты, мм 129х118х48 Ширина зева, мм 20 Тип ЗТ-3 1,25/2,5 ф трубы 0-20 Тип работы в паре Типоразмер скобы анкерной СИ-2 Грузоподъемность для пары, кг 2500 Страна производства Китай
Захваты торцевые для труб предназначены для подъема и перемещения труб. Имеют различную грузоподъёмность и работают в паре. Ширина зева выбирается в зависимости от толщины кромки трубы. В комплект входят такелажные скобы.
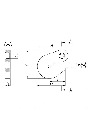
Обозначение ЗТ-Б-1,6 Г/п 1,6 тн A 109 мм B 103 мм C 15 мм D 135 мм E 20 мм F 55 мм G 8-13 мм H 20 мм
Торцевой захват для труб предназначен для подъема и перемещения труб и аналогичных грузов в горизонтальном положении. Рекомендуется к использованию при прокладке и монтаже трубопровода, либо на производстве труб.
Конструкция Захват позволяет надежно закрепить груз, при этом гарантирует сохранность кромки трубы, а так же сохранность торцов разделки труб под сварку. Захват работает с трубами с толщиной стенки от 8 до 32мм и массой до 12,5т.
Для более бережного подъема груза возможна дополнительная комплектация полиуретановыми накладками. Захват обладает малым собственным весом, удобен в работе, возможна строповка груза захватом данного типа одним работником.
Захват работает в паре на стропе типа 2СК, или с подвесом на траверсе.
Обозначение ЗТ-Б-2,0 Г/п 2,0 тн A 130 мм B 118 мм C 18 мм D 145 мм E 20 мм F 65 мм G 13-16 мм H 20 мм
Торцевой захват для труб предназначен для подъема и перемещения труб и аналогичных грузов в горизонтальном положении. Рекомендуется к использованию при прокладке и монтаже трубопровода, либо на производстве труб.
Конструкция Захват позволяет надежно закрепить груз, при этом гарантирует сохранность кромки трубы, а так же сохранность торцов разделки труб под сварку. Захват работает с трубами с толщиной стенки от 8 до 32мм и массой до 12,5т.
Для более бережного подъема груза возможна дополнительная комплектация полиуретановыми накладками. Захват обладает малым собственным весом, удобен в работе, возможна строповка груза захватом данного типа одним работником.
Захват работает в паре на стропе типа 2СК, или с подвесом на траверсе.
Грузоподъемность, т 2,0 Габариты, мм 160х147 Ширина зева, мм 21 Скоба СИ, г/п, т 3,25 Высота отверстия крепления, мм 38 Толщина крюка, мм 20 Грузоподъемность для пары, кг 4000 Страна производства Китай
Захваты торцевые для труб предназначены для подъема и перемещения труб. Имеют различную грузоподъёмность и работают в паре. Ширина зева выбирается в зависимости от толщины кромки трубы. В комплект входят такелажные скобы.
Грузоподъемность, т 2,5 Габариты, мм 160х147х71 Ширина зева, мм 24 Тип ЗТ-3 2,5/5,0 ф трубы 0-24 Тип работы в паре Типоразмер скобы анкерной СИ-4,75 Грузоподъемность для пары, кг 5000 Страна производства Китай
Захваты торцевые для труб предназначены для подъема и перемещения труб. Имеют различную грузоподъёмность и работают в паре. Ширина зева выбирается в зависимости от толщины кромки трубы. В комплект входят такелажные скобы.
Обозначение ЗТ-Б-3,2 Г/п 3,2 тн A 152 мм B 141 мм C 29 мм D 150 мм E 26 мм F 75 мм G 16-26 мм H 30 мм
Торцевой захват для труб предназначен для подъема и перемещения труб и аналогичных грузов в горизонтальном положении. Рекомендуется к использованию при прокладке и монтаже трубопровода, либо на производстве труб.
Конструкция Захват позволяет надежно закрепить груз, при этом гарантирует сохранность кромки трубы, а так же сохранность торцов разделки труб под сварку. Захват работает с трубами с толщиной стенки от 8 до 32мм и массой до 12,5т.
Для более бережного подъема груза возможна дополнительная комплектация полиуретановыми накладками. Захват обладает малым собственным весом, удобен в работе, возможна строповка груза захватом данного типа одним работником.
Захват работает в паре на стропе типа 2СК, или с подвесом на траверсе.