Обозначение ЗЗС-1,0 Г/п 1,0 тн A 16 мм B 35 мм C 32 мм D 190 мм E 140 мм
Назначение Захват замок Смаля не является самостоятельным грузозахватным приспособлением и используется совместно со стропами. Замок Смаля удобен при расстроповке грузов на расстоянии в стесненном по габариту пространстве и труднодоступных для стропальщика местах (например на высоте).
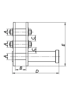
Конструкция Замок Смаля представляет собой штырево-строповый механизм. Применяется совместно с различными видами строп (канатными, текстильными, цепными) в качестве захватного органа. Штыревой замок расположен между щеками с дополнительными разборными пальцами.
Строповка грузов производится методом обвязки «удавка», либо за предусмотренные в конструкции груза технологические отверстия, проушины. Расстроповка происходит дистанционно, посредством оттягивания подвижного штыря с помощью оттяжки.
Обозначение ЗЗС-2,0 Г/п 2,0 тн A 25 мм B 45 мм C 35 мм D 240 мм E 175 мм
Назначение Захват замок Смаля не является самостоятельным грузозахватным приспособлением и используется совместно со стропами. Замок Смаля удобен при расстроповке грузов на расстоянии в стесненном по габариту пространстве и труднодоступных для стропальщика местах (например на высоте).
Конструкция Замок Смаля представляет собой штырево-строповый механизм. Применяется совместно с различными видами строп (канатными, текстильными, цепными) в качестве захватного органа. Штыревой замок расположен между щеками с дополнительными разборными пальцами.
Строповка грузов производится методом обвязки «удавка», либо за предусмотренные в конструкции груза технологические отверстия, проушины. Расстроповка происходит дистанционно, посредством оттягивания подвижного штыря с помощью оттяжки.
Обозначение ЗЗС-2,5 Г/п 2,5 тн A 25 мм B 50 мм C 35 мм D 240 мм E 175 мм
Назначение Захват замок Смаля не является самостоятельным грузозахватным приспособлением и используется совместно со стропами. Замок Смаля удобен при расстроповке грузов на расстоянии в стесненном по габариту пространстве и труднодоступных для стропальщика местах (например на высоте).
Конструкция Замок Смаля представляет собой штырево-строповый механизм. Применяется совместно с различными видами строп (канатными, текстильными, цепными) в качестве захватного органа. Штыревой замок расположен между щеками с дополнительными разборными пальцами.
Строповка грузов производится методом обвязки «удавка», либо за предусмотренные в конструкции груза технологические отверстия, проушины. Расстроповка происходит дистанционно, посредством оттягивания подвижного штыря с помощью оттяжки.
Обозначение ЗЗС-3,2 Г/п 3,2 тн A 28 мм B 55 мм C 45 мм D 260 мм E 205 мм
Назначение Захват замок Смаля не является самостоятельным грузозахватным приспособлением и используется совместно со стропами. Замок Смаля удобен при расстроповке грузов на расстоянии в стесненном по габариту пространстве и труднодоступных для стропальщика местах (например на высоте).
Конструкция Замок Смаля представляет собой штырево-строповый механизм. Применяется совместно с различными видами строп (канатными, текстильными, цепными) в качестве захватного органа. Штыревой замок расположен между щеками с дополнительными разборными пальцами.
Строповка грузов производится методом обвязки «удавка», либо за предусмотренные в конструкции груза технологические отверстия, проушины. Расстроповка происходит дистанционно, посредством оттягивания подвижного штыря с помощью оттяжки.
Обозначение ЗЗС-5,0 Г/п 5,0 тн A 36 мм B 60 мм C 50 мм D 300 мм E 250 мм
Назначение Захват замок Смаля не является самостоятельным грузозахватным приспособлением и используется совместно со стропами. Замок Смаля удобен при расстроповке грузов на расстоянии в стесненном по габариту пространстве и труднодоступных для стропальщика местах (например на высоте).
Конструкция Замок Смаля представляет собой штырево-строповый механизм. Применяется совместно с различными видами строп (канатными, текстильными, цепными) в качестве захватного органа. Штыревой замок расположен между щеками с дополнительными разборными пальцами.
Строповка грузов производится методом обвязки «удавка», либо за предусмотренные в конструкции груза технологические отверстия, проушины. Расстроповка происходит дистанционно, посредством оттягивания подвижного штыря с помощью оттяжки.
Обозначение ЗЗС-6,3 Г/п 6,3 тн A 40 мм B 70 мм C 60 мм D 310 мм E 280 мм
Назначение Захват замок Смаля не является самостоятельным грузозахватным приспособлением и используется совместно со стропами. Замок Смаля удобен при расстроповке грузов на расстоянии в стесненном по габариту пространстве и труднодоступных для стропальщика местах (например на высоте).
Конструкция Замок Смаля представляет собой штырево-строповый механизм. Применяется совместно с различными видами строп (канатными, текстильными, цепными) в качестве захватного органа. Штыревой замок расположен между щеками с дополнительными разборными пальцами.
Строповка грузов производится методом обвязки «удавка», либо за предусмотренные в конструкции груза технологические отверстия, проушины. Расстроповка происходит дистанционно, посредством оттягивания подвижного штыря с помощью оттяжки.
Обозначение ЗЗС-8,0 Г/п 8,0 тн A 45 мм B 75 мм C 65 мм D 350 мм E 310 мм
Назначение Захват замок Смаля не является самостоятельным грузозахватным приспособлением и используется совместно со стропами. Замок Смаля удобен при расстроповке грузов на расстоянии в стесненном по габариту пространстве и труднодоступных для стропальщика местах (например на высоте).
Конструкция Замок Смаля представляет собой штырево-строповый механизм. Применяется совместно с различными видами строп (канатными, текстильными, цепными) в качестве захватного органа. Штыревой замок расположен между щеками с дополнительными разборными пальцами.
Строповка грузов производится методом обвязки «удавка», либо за предусмотренные в конструкции груза технологические отверстия, проушины. Расстроповка происходит дистанционно, посредством оттягивания подвижного штыря с помощью оттяжки.
Обозначение ЗЗС-10,0 Г/п 10,0 тн A 50 мм B 80 мм C 70 мм D 390 мм E 345 мм
Назначение Захват замок Смаля не является самостоятельным грузозахватным приспособлением и используется совместно со стропами. Замок Смаля удобен при расстроповке грузов на расстоянии в стесненном по габариту пространстве и труднодоступных для стропальщика местах (например на высоте).
Конструкция Замок Смаля представляет собой штырево-строповый механизм. Применяется совместно с различными видами строп (канатными, текстильными, цепными) в качестве захватного органа. Штыревой замок расположен между щеками с дополнительными разборными пальцами.
Строповка грузов производится методом обвязки «удавка», либо за предусмотренные в конструкции груза технологические отверстия, проушины. Расстроповка происходит дистанционно, посредством оттягивания подвижного штыря с помощью оттяжки.
Обозначение ЗЗС-15,0 Г/п 15,0 тн A 55 мм B 90 мм C 90 мм D 410 мм E 410 мм
Назначение Захват замок Смаля не является самостоятельным грузозахватным приспособлением и используется совместно со стропами. Замок Смаля удобен при расстроповке грузов на расстоянии в стесненном по габариту пространстве и труднодоступных для стропальщика местах (например на высоте).
Конструкция Замок Смаля представляет собой штырево-строповый механизм. Применяется совместно с различными видами строп (канатными, текстильными, цепными) в качестве захватного органа. Штыревой замок расположен между щеками с дополнительными разборными пальцами.
Строповка грузов производится методом обвязки «удавка», либо за предусмотренные в конструкции груза технологические отверстия, проушины. Расстроповка происходит дистанционно, посредством оттягивания подвижного штыря с помощью оттяжки.