Город:

Хабаровск

Ваш город Хабаровск?
Да
Выбрать другой
Выберите город
Владивосток
Хабаровск
Южно-Сахалинск
Благовещенск
Покупка в 1 клик
Ваша заявка принята, наш менеджер свяжется с вами в ближайшее время.

Захват замок Смаля 2,5тн ЗЗС-2,5

Захват замок Смаля 2,5тн ЗЗС-2,5

Оставьте заявку
и мы свяжемся с вами
Заявка успешно отправлена.
Под заказ
Заказать
Информация на сайте не является публичной офертой. Наличие и актуальные цены уточняйте у менеджеров.
Описание
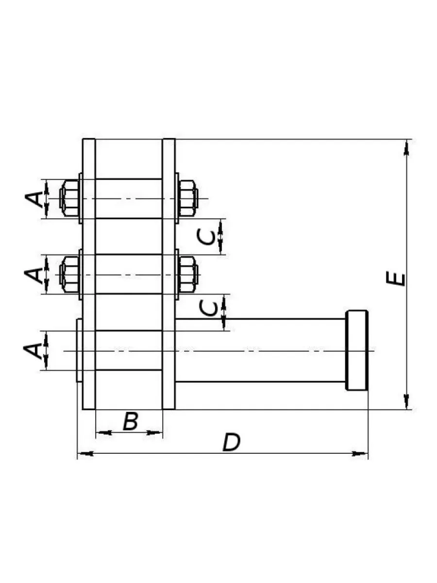
Обозначение ЗЗС-2,5
Г/п 2,5 тн
A 25 мм
B 50 мм
C 35 мм
D 240 мм
E 175 мм

Назначение
Захват замок Смаля не является самостоятельным грузозахватным приспособлением и используется совместно со стропами. Замок Смаля удобен при расстроповке грузов на расстоянии в стесненном по габариту пространстве и труднодоступных для стропальщика местах (например на высоте).

Конструкция
Замок Смаля представляет собой штырево-строповый механизм. Применяется совместно с различными видами строп (канатными, текстильными, цепными) в качестве захватного органа. Штыревой замок расположен между щеками с дополнительными разборными пальцами.

Строповка грузов производится методом обвязки «удавка», либо за предусмотренные в конструкции груза технологические отверстия, проушины. Расстроповка происходит дистанционно, посредством оттягивания подвижного штыря с помощью оттяжки.
Захват замок Смаля  2,5тн ЗЗС-2,5
Реквизиты
Товар (пр. ТМЦ) / Товар / Россия / Под заказ / 0 / 0 / 3.2
(0)
0 ₽
шт

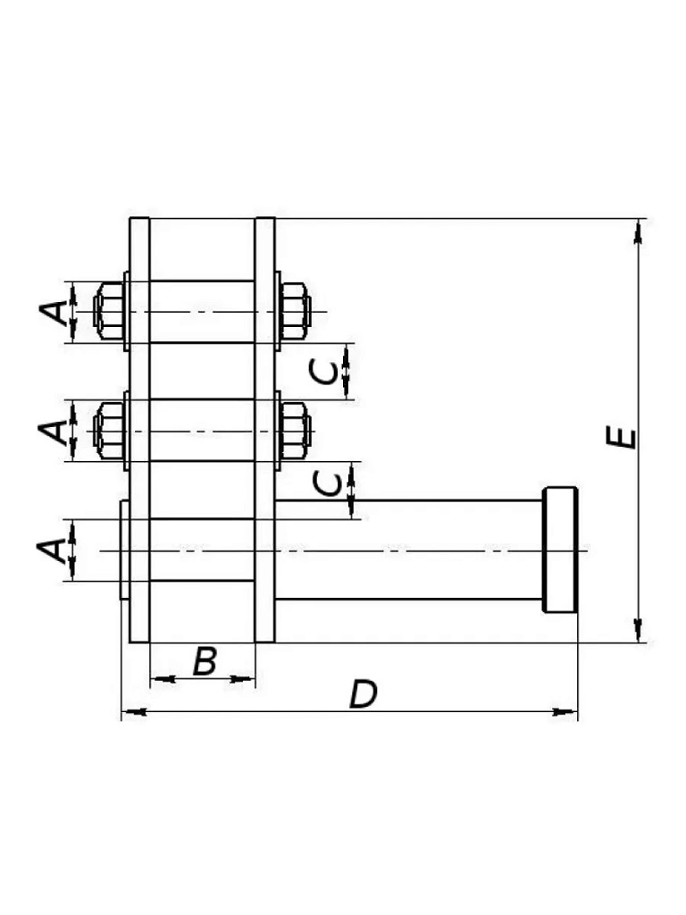
Обозначение ЗЗС-2,5
Г/п 2,5 тн
A 25 мм
B 50 мм
C 35 мм
D 240 мм
E 175 мм

Назначение
Захват замок Смаля не является самостоятельным грузозахватным приспособлением и используется совместно со стропами. Замок Смаля удобен при расстроповке грузов на расстоянии в стесненном по габариту пространстве и труднодоступных для стропальщика местах (например на высоте).

Конструкция
Замок Смаля представляет собой штырево-строповый механизм. Применяется совместно с различными видами строп (канатными, текстильными, цепными) в качестве захватного органа. Штыревой замок расположен между щеками с дополнительными разборными пальцами.

Строповка грузов производится методом обвязки «удавка», либо за предусмотренные в конструкции груза технологические отверстия, проушины. Расстроповка происходит дистанционно, посредством оттягивания подвижного штыря с помощью оттяжки.

Реквизиты
Товар (пр. ТМЦ) / Товар / Россия / Под заказ / 0 / 0 / 3.2